phone 0318-7533315
科学 公正 廉洁 高效
当前所在位置: 首页 » 产品中心 » 安平县长明铁路器材有限公司

loading

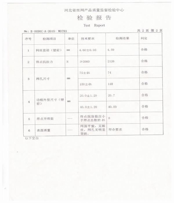
型号: №:B 0690C-A-2015-W0783

安平县长明铁路器材有限公司

检测报告
上一条: 
下一条: 
首页
主办单位:河北省丝网产品安平县综合检验检测中心
地址:安平县正港路南经五路东59-1号   联系电话:0318-7533315   
邮编:053600   邮箱:sw12365@126.com
技术支持 [融创传媒]  冀ICP备13023258号
安平县综合检验检测中心公众号
安平县综合检验检测中心公众号